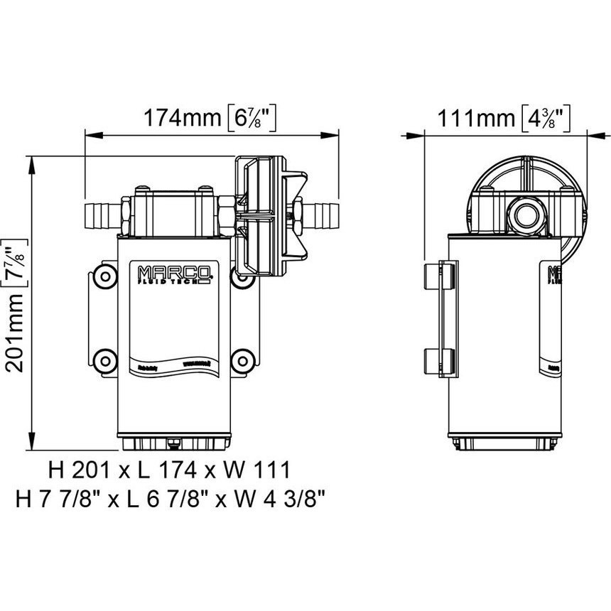
MARCO UP6-P szivattyú 12V

Önfelszívó szivattyú (1,5m) folyadékok továbbítására.

A szivattyú háza nikkel bevonatú réz. Fő felhasználási területe: permetezés technika

 

Műszaki adatok:

Max. nyomás: 2 bar

Max. teljesítmény: 26 l/min

Feszültség: 12 VDC - 15 A

Motor teljesítménye: 180W

Alkatrészek: teflon bevonatú fogaskerekek, viton O'gyűrű

Tartozékok: szívúszűrő, tömlőcsatlakozók d16

 

 

Márka: MARCO

Termék kód: 164 065 12

pageup