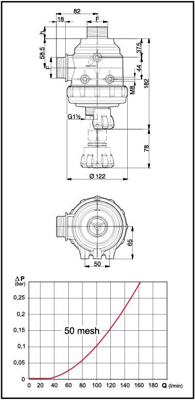
-Szűrőbetét mérete : 80x108mm
-Átfolyás : 80-120 l/min.
-csatlakozó típus : 1-1/4" KM
-leeresztő szeleppel
Márka: ARAG
Tisztelt Partnereink!
Ügyfélfogadás és árukiadás hétköznap 9 - 15 óra között lehetséges!
06 28 513 445+36 30 574 4712+36 30 574 5386farmcenter@farmcenter.hu
Megértésüket előre is köszönjük!