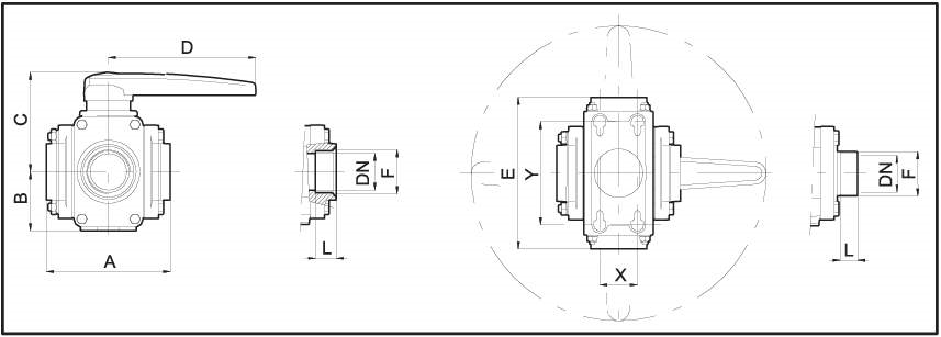
ARAG 453-as sorozatú 4 -utas golyóscsap Menetes 2" csatlakozással

Jellemzői:

- A ház üvegszálas erősítésű polipropilénból készült
- Teflon® tömítőkészletek
- Rozsdamentes acélból készült csavarok és csapszegek
- A golyók  Inoxból készülnek
- Tömítések Viton®-ból (Inox golyók esetén)

- A kar 360°-ban mozgatható
- A biztonságos és kényelmes használat érdekében a fogantyú lekerekített
- Az "F" vagy "M" rövidítés jelentése a tulajdonságoknál: "F" - "Female" (belső menetes) és "M" - "Male" (külső menetes)

 

Márka: ARAG

Termék kód: ARAG 45324....

530.jpg531.jpg532.jpg
pageup